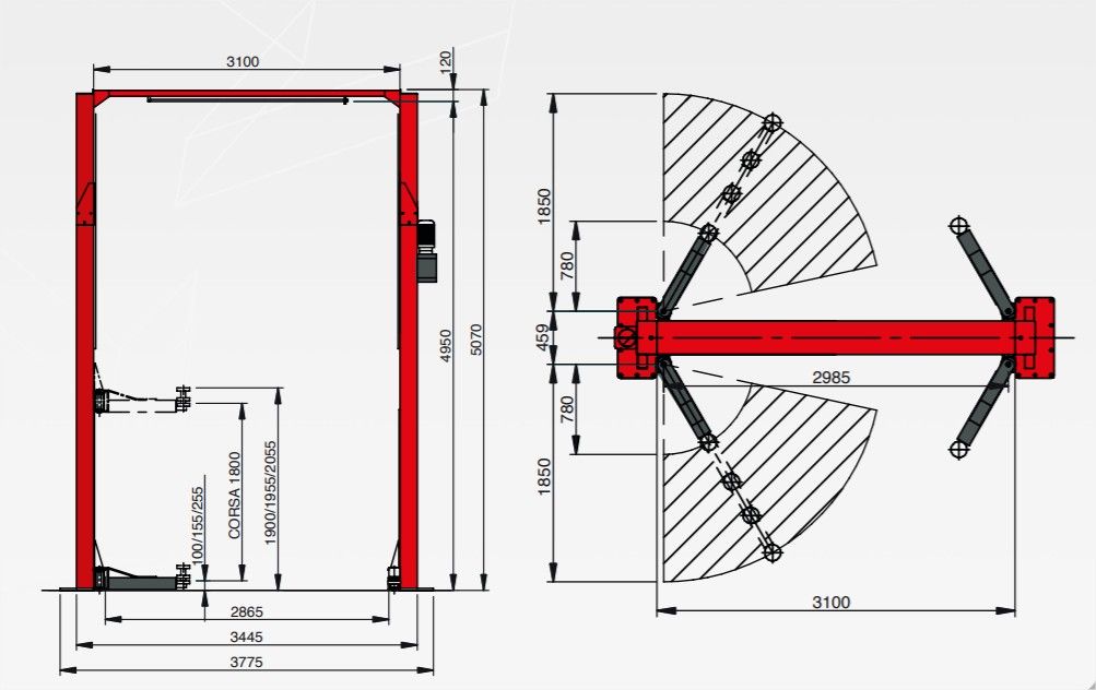
Erco H5502 XV - Élévateur hydraulique à deux colonnes avec bras symétriques abaissés
Obtenir un devis / prix
Prix et détails sur demande
Vendu
par
Fabriqué par NEXION FRANCE
En savoir plus
Description
Élévateur hydraulique à deux colonnes avec bras symétriques abaissés à 4 stades
Dédié aux centres de Véhicules Industriels et Commerciaux !
Caractéristiques principales :
- L’élévateur ERCO H5502 XV est actionné par un circuit hydraulique de type master/slave avec alignement automatique des deux chariots après chaque cycle de levage.
- Ce circuit rend l’élévateur ERCO H5502 particulièrement fiable et facile à installer.
- Ne requiert pas de réglages mécaniques lors de l’installation (absence de filins métalliques entre les colonnes).
Produits similaires dans la catégorie qui peuvent vous intéresser

Prix sur demande
Vendu par : CCG Sarl
Pont élévateur à double ciseaux à encastrement - Caractéristiques principales : - Portée maximale : 4000 kg - Équipements inclus : - Système de synchronisation hydraulique MASTER SLAVE automatique entre les deux chemins de roulement - Dispositif de sécurité à photocellules pour un bl
Voir le produit

Prix sur demande
Vendu par : CCG Sarl
Pont élévateur électro - mécanique avec embase, version surbaissée - Caractéristiques techniques : - Colonnes : haute rigidité - Chariots : sur guides GSM(BM) - Bras : interchangeables - Chaîne : guide double - Base : démontable - Fin - de - courses : protégés - Contrôle usure é
Voir le produit

Prix sur demande
Vendu par : CCG Sarl
Pont élévateur à double ciseaux à encastrement - Portée max. : 3500 kg - Tous les modèles sont équipés : - D'un système de synchronisation hydraulique MASTER SLAVE automatique entre les deux chemins de roulement - D'un dispositif de sécurité à photocellules pour blocage automatique d
Voir le produit

Prix sur demande
Vendu et fabriqué par : RR EQUIPEMENTS
Le Easy Lift 3000 présente une solution de levage universelle et peut être utilisé pour lever des VL, 4x4, VUL. Très pratique pour les ateliers de carrosserie, le Easy lift 3000 est un outil d'une praticité considérable. Le véhicule en charge peut être levé par la roue avant pour une levée
Voir le produit

Prix sur demande
Vendu par : CCG Sarl
Pont - élévateurs électrohydraulique à ciseaux
Voir le produit

Prix sur demande
Vendu par : CCG Sarl
Elévateur électrohydraulique à ciseaux
Voir le produit

Prix sur demande
Vendu par : CCG Sarl
Élévateur électrohydraulique à ciseaux
Voir le produit


Prix sur demande
Vendu par : Locateck Services
Pont élévateur électrohydraulique de haute qualité et de grande robustesse - 2 commandes: 1 par colonne pour une plus grande flexibilité d'utilisation - Kit Energie sur colonne principale (230V/12V/air comprime) - Groupe hydraulique puissant et performant : montée et descente rapide - P
Voir le produit


Prix sur demande
Vendu par : Locateck Services
- Système de préhension de roue électro - hydraulique avec fonctionnement sur batterie et commande sans fil. - Unité de commande avec couvercle sur chaque colonne pour une utilisation flexible. - L'unité principale contrôle toutes les informations de fonctionnement sur chaque colonne et perm
Voir le produit

Prix sur demande
Vendu par : CCG Sarl
Ponts élévateurs double ciseaux à profil bas - Portée max.: 4000 kg
Voir le produit
Obtenez des devis
pour plusieurs produits à la fois
1
Vous décrivez rapidement votre besoin de matériel
2
Nous sélectionnons les meilleurs fournisseurs pour votre projet
3
Vous recevez des premières propositions sous 48h
Quel type de pont élévateur recherchez-vous ?
Retrouvez nos conseils pour choisir
votre
pont élévateur

Le conseil de l'expert
Comment choisir un pont élévateur ?
Découvrir

Top 10 des produits dans la catégorie


Prix sur demande
Vendu et fabriqué par : Finkbeiner
Pont élévateur mobile, capacité 3000 kg, 400 V, électro - hydraulique, bras télescopiques asymétriques, passage 2300 mm, pour voitures, 4x4, VUL petites - Pont élévateur mobile, sans fixation au sol. - Manœuvrable facilement par une seule personne. - Entraînement hydraulique, insensible
Voir le produit

Prix sur demande
Vendu par : UNIC Industrie
Ponts élévateurs mobiles COLIBRI - 3 modèles : - 2596 - 3096 - 3596 - FIABILITE EXCEPTIONNELLE - ENTRETIEN REDUIT - MISE EN OEUVRE RAPIDE - POINTS SECURITE : - norme CE , CEM , incorporation des éléments de protection - avertisseur sonore de mouvement
Voir le produit


Prix sur demande
Vendu et fabriqué par : Finkbeiner
Pont élévateur mobile, capacité 3500 kg, hauteur de levage 1940 mm, alimentation par batteries 24V, bras télescopiques symétriques, passage 2300 mm, entraînement hydraulique. - Pont élévateur mobile, sans fixation au sol. - Alimentation en énergie par batteries. - Manœuvrable facilement
Voir le produit

624 € HT
Vendu par : FRANCE MANUTENTION
Manuelle et pneumatique pour motos - quad / 700 kg - 1950 x 1220 mm - Présentation : - Cette table élévatrice mixte possède une plateforme de 1950 x 1220 mm, très stable, elle vous permet de travailler confortablement sur les motos et quads jusqu'à 700 kg. Les 2 bandes latérales peuvent ê
Voir le produit

Prix sur demande
Vendu et fabriqué par : IFI HOLDING
Pont élévateur 4 colonnes avec levage auxiliaire (RAL 3002). - Distance entre colonnes (2900 mm) pour les VU et la géométrie "3D". - Plans de levage auxiliaire (L min/max : 1490/1996 mm) avec sécurité mécanique - intégrée - Plaques coulissantes à blocage automatique (vérin pneumatique
Voir le produit


2600 € HT
Vendu par : GEDAUTO DESARROLLO S.L
Vendeur certifié
Ce monte - voiture à fonctionnement électro - hydraulique a été conçu pour travailler avec tout type de véhicule d?un poids total maximal de 5 tonnes dans les garages et ateliers.FONCTIONS ET CARACTÉRISTIQUES DE L'ÉQUIPEMENT : - Le monte - voiture est conforme à la Directive 2006/42/CE et
Voir le produit


269.96 € HT
Vendu par : Helloshop26
Vendeur certifié
Un pont élévateur de montage pratique qui ne doit manquer dans aucun garage. La plate - forme élevatrice garantit, grâce à son plateau en caoutchouc dur anti - dérapant et ses ressorts de sécurisation, une position sûre pendant toute réparation ou tout entretien de petites motos, scooters o
Voir le produit


5281.58 € HT
Vendu par : Global-Tools
Vendeur certifié
Pont élévateur électrohydraulique à deux colonnes avec connexion par le haut. Installation possible en version symétrique ou asymétrique. Réalignement à l’aide de câbles métalliques assurant une synchronisation optimale des chariots. Structure colonne renforcée à l’intérieur
Voir le produit


3366.25 € HT
Vendu par : Global-Tools
Vendeur certifié
Pont élévateur hydraulique automatique à 2 colonnes. Ascenseur hydraulique à deux colonnes avec les dernières avancées, spécialement conçu pour les ateliers professionnels. Colonnes en acier de 5 mm et grande distance entre elles pour faciliter le travail dans l'ascenseur. Contrôle synchron
Voir le produit


1350 € HT
Vendu par : GEDAUTO DESARROLLO S.L
Vendeur certifié
Le pont élévateur à ciseaux ultra plat sans roues EQT - B30M est un pont hydraulique mobile à hauteur moyenne de 3,0 T, équipé de cylindres hydrauliques doubles et d?un système de descente électromagnétique / déverrouillage pneumatique, conçu pour soulever des voitures et des véhicules l
Voir le produit