Indicateur de position électronique à 6 chiffres - Emile Maurin - couleur orange - réf : 17-1018-20
Obtenir un devis / prix
Prix et détails sur demande

Vendu
et fabriqué par EMILE MAURIN - ELÉMENTS STANDARD MÉCANIQUES
En savoir plus
Description
Informations
Indicateur de position électronique à 6 chiffres
MATIÈRE
- Boîtier et support de base en technopolymère base polyamide (PA) haute résistance gris RAL 7035 ou orange RAL 2004.
- Support de base soudé aux ultra-sons.
- Résiste aux solvants, huiles, graisses et autres agents chimiques.
- Voyant en technopolymère transparent.
- Éviter le contact avec l'alcool.
- Écran LCD avec 6 chiffres de hauteur 12 mm et caractères spéciaux, orientation lecture droite ou inverse paramétrable.
- Clavier membrane en polyester résistant aux solvants, alcools, acides, alcalis.
- Insert en inox (AFNOR Z 6 CN 18-09, Werk 1.4301, AISI 304).
- Joint torique frontal en caoutchouc synthétique NBR.
- Joint postérieur en polyéthylène expansé.
- Insert postérieur en laiton avec double joint torique en caoutchouc synthétique NBR pour le modèle IP67.
- Batterie au lithium, autonomie de 8 ans.
UTILISATION
- Température maximum d'emploi : 80°C.
- Il relève le déplacement d'un élément de machine actionné par un arbre de commande auquel il est lui-même fixé.
- Conçu également pour des manœuvres motorisées.
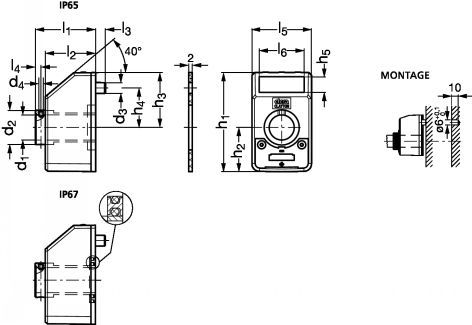
MONTAGE
- Percer un trou de ø 6 dans la machine pour le logement du pion de centrage.
- Mettre l'arbre de commande en position initiale ou de référence.
- Monter l'indicateur sur l'arbre en rentrant le pion dans le trou.
- Fixer l'insert à l'arbre en serrant la vis de pression.
- L'insert de l'indicateur de position est prévu pour des arbres ø20.
- Pour des arbres de ø16, ø15, ø14, ø12, ø10, ø8 ou ø6, il faut monter en plus une douille de réduction 17-70.
Indicateur de position électronique à 6 chiffres
MATIÈRE
- Boîtier et support de base en technopolymère base polyamide (PA) haute résistance gris RAL 7035 ou orange RAL 2004.
- Support de base soudé aux ultra-sons.
- Résiste aux solvants, huiles, graisses et autres agents chimiques.
- Voyant en technopolymère transparent.
- Éviter le contact avec l'alcool.
- Écran LCD avec 6 chiffres de hauteur 12 mm et caractères spéciaux, orientation lecture droite ou inverse paramétrable.
- Clavier membrane en polyester résistant aux solvants, alcools, acides, alcalis.
- Insert en inox (AFNOR Z 6 CN 18-09, Werk 1.4301, AISI 304).
- Joint torique frontal en caoutchouc synthétique NBR.
- Joint postérieur en polyéthylène expansé.
- Insert postérieur en laiton avec double joint torique en caoutchouc synthétique NBR pour le modèle IP67.
- Batterie au lithium, autonomie de 8 ans.
UTILISATION
- Température maximum d'emploi : 80°C.
- Il relève le déplacement d'un élément de machine actionné par un arbre de commande auquel il est lui-même fixé.
- Conçu également pour des manœuvres motorisées.
MONTAGE
- Percer un trou de ø 6 dans la machine pour le logement du pion de centrage.
- Mettre l'arbre de commande en position initiale ou de référence.
- Monter l'indicateur sur l'arbre en rentrant le pion dans le trou.
- Fixer l'insert à l'arbre en serrant la vis de pression.
- L'insert de l'indicateur de position est prévu pour des arbres ø20.
- Pour des arbres de ø16, ø15, ø14, ø12, ø10, ø8 ou ø6, il faut monter en plus une douille de réduction 17-70.
Autres produits du vendeur pour : Indicateur de position


Voir le produit


Voir le produit


Voir le produit
Produits similaires dans la catégorie qui peuvent vous intéresser


Prix sur demande
Vendu et fabriqué par : EMILE MAURIN - Eléments Standard Mécaniques
Vendeur certifié
Informations - Indicateur de position électronique à 5 chiffres - MATIERE - Boîtier et support de base en technopolymère base polyamide (PA) haute résistance gris RAL 7035 ou orange RAL 2004. - Support de base soudé aux ultra - sons. - Résiste aux solvants, huiles, graisses et autres age
Voir le produit


Prix sur demande
Vendu et fabriqué par : EMILE MAURIN - Eléments Standard Mécaniques
Vendeur certifié
Informations Indicateur de position électronique à 5 chiffres MATIÈRE - Boîtier et support de base en technopolymère base polyamide (PA) haute résistance gris RAL 7035 ou orange RAL 2004. - Support de base soudé aux ultra - sons. - Résiste aux solvants, huiles, graisses et autres agents c
Voir le produit


Prix sur demande
Vendu et fabriqué par : EMILE MAURIN - Eléments Standard Mécaniques
Vendeur certifié
Informations - Indicateur de position électronique à 6 chiffres - MATIÈRE - Boîtier et support de base en technopolymère base polyamide (PA) haute résistance gris RAL 7035 ou orange RAL 2004. - Support de base soudé aux ultra - sons. - Résiste aux solvants, huiles, graisses et autres ag
Voir le produit


Prix sur demande
Vendu et fabriqué par : EMILE MAURIN - Eléments Standard Mécaniques
Vendeur certifié
Informations Indicateur de position électronique à 5 chiffres - MATIERE - Boîtier et support de base en technopolymère base polyamide (PA) haute résistance gris RAL 7035 ou orange RAL 2004. - Support de base soudé aux ultra - sons. - Résiste aux solvants, huiles, graisses et autres agents
Voir le produit


Prix sur demande
Vendu et fabriqué par : EMILE MAURIN - Eléments Standard Mécaniques
Vendeur certifié
Informations - Indicateur de position digital à 5 chiffres, avec insert acier ou inox - MATIERE - Boîtier et support de base en technopolymère base polyamide (PA) haute résistance gris (RAL 7035), noir (RAL 7021) ou orange (RAL 2004). - Support de base soudé aux ultra - sons. - Résiste au
Voir le produit


Prix sur demande
Vendu et fabriqué par : EMILE MAURIN - Eléments Standard Mécaniques
Vendeur certifié
Informations - Indicateur de position électronique à 6 chiffres - MATIÈRE - Boîtier et support de base en technopolymère base polyamide (PA) haute résistance gris RAL 7035 ou orange RAL 2004. - Support de base soudé aux ultra - sons. - Résiste aux solvants, huiles, graisses et autres ag
Voir le produit


Prix sur demande
Vendu et fabriqué par : EMILE MAURIN - Eléments Standard Mécaniques
Vendeur certifié
Informations - Indicateur de position digital à 4 chiffres, avec insert acier ou inox - MATIERE - Boîtier et support de base en technopolymère base polyamide (PA) haute résistance gris (RAL 7035), noir (RAL 7021) ou orange (RAL 2004). - Support de base soudé aux ultra - sons. - Résiste au
Voir le produit


Prix sur demande
Vendu et fabriqué par : EMILE MAURIN - Eléments Standard Mécaniques
Vendeur certifié
Informations - Indicateur de position électronique à 5 chiffres - MATIERE - Boîtier et support de base en technopolymère base polyamide (PA) haute résistance gris RAL 7035 ou orange RAL 2004. - Support de base soudé aux ultra - sons. - Résiste aux solvants, huiles, graisses et autres age
Voir le produit


Prix sur demande
Vendu et fabriqué par : EMILE MAURIN - Eléments Standard Mécaniques
Vendeur certifié
InformationsIndicateur de position digital à 4 chiffres, avec insert acier ou inoxMATIÈRE - Boîtier et support de base en technopolymère base polyamide (PA) haute résistance gris (RAL 7035), noir (RAL 7021) ou orange (RAL 2004). - Support de base soudé aux ultra - sons. - Résiste aux solva
Voir le produit
Obtenez des devis
pour plusieurs produits à la fois
1
Vous décrivez rapidement votre besoin de matériel
2
Nous sélectionnons les meilleurs fournisseurs pour votre projet
3
Vous recevez des premières propositions sous 48h
Modèle de l'afficheur numérique :

EMILE MAURIN - ELÉMENTS STANDARD MÉCANIQUES
Vendeur certifié
France, SAINT PRIEST, (69) Auvergne-Rhône-Alpes
EMILE MAURIN - ELÉMENTS STANDARD MÉCANIQUES est sur Hellopro depuis 16 ans
Emile Maurin Éléments Standard Mécaniques, spécialiste-conseil en composants normalisés depuis 1871, vous apporte des solutions adaptées à votre processus industriel. Leader sur le marché, Emile Maurin vous apporte :
- Une profondeur et largeur de gamme avec plus de 50 000 composants mécaniques disponibles à J+1.
- Une variété de supports techniques et plans 3D pour votre service de bureau d’études, vos techniciens et acheteurs.
- La réactivité d’une équipe d’experts pour un service permanent et de qualité
- Une livraison sous 24 heures, sans minimum de commande, ni de facturation.
Emile Maurin concentre son offre sur des produits de qualité afin d’assurer la sécurité et le bon fonctionnement de vos équipements.
Chaque mois, plusieurs dizaines de nouveautés vous proposent les dernières innovations techniques du marché.
Cliquez, consultez et téléchargez librement plus de 230 000 modèles 3D compatibles avec l’ensemble des logiciels de CAO afin de faciliter l’intégration des
produits au sein de votre projet. Une question? Un projet? Une demande spécifique?
Contactez nous:
- Tel: 04 72 71 18 71 (du lundi au vendredi 8h 18h sans interruption - 17h le vendredi)
- E-mail: esm@emile-maurin.fr
Retrouvez l'ensemble de nos nouveautés, fiches techniques, fichiers 3D 24h/24 sur notre site internet https://composants.emile-maurin.fr
- Une profondeur et largeur de gamme avec plus de 50 000 composants mécaniques disponibles à J+1.
- Une variété de supports techniques et plans 3D pour votre service de bureau d’études, vos techniciens et acheteurs.
- La réactivité d’une équipe d’experts pour un service permanent et de qualité
- Une livraison sous 24 heures, sans minimum de commande, ni de facturation.
Emile Maurin concentre son offre sur des produits de qualité afin d’assurer la sécurité et le bon fonctionnement de vos équipements.
Chaque mois, plusieurs dizaines de nouveautés vous proposent les dernières innovations techniques du marché.
Cliquez, consultez et téléchargez librement plus de 230 000 modèles 3D compatibles avec l’ensemble des logiciels de CAO afin de faciliter l’intégration des
produits au sein de votre projet. Une question? Un projet? Une demande spécifique?
Contactez nous:
- Tel: 04 72 71 18 71 (du lundi au vendredi 8h 18h sans interruption - 17h le vendredi)
- E-mail: esm@emile-maurin.fr
Retrouvez l'ensemble de nos nouveautés, fiches techniques, fichiers 3D 24h/24 sur notre site internet https://composants.emile-maurin.fr