Iyj-l treuil hydraulique de chute libre - INI Hydraulic Co., Ltd - diamètre de corde 8 à 38 mm - structure compacte et fonctionnement fiable
                                Obtenir un devis / prix                             
                            
                                Prix et détails sur demande
                            
                                        
                        
                            
                                Vendu 
                                 et fabriqué                                 par INI HYDRAULIC CO., LTD.                            
                                                    
                        En savoir plus
                    
                Description
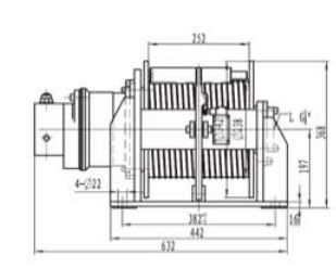
Treuil hydraulique de chute libre
Notre treuil hydraulique de chute libre série IYJ-L breveté se caractérise par :
- Une structure compacte
- Une installation facile
- Un démarrage simple
- Un fonctionnement fiable
- Un faible bruit
- Peu d'entretien
Ce treuil à prix économique peut non seulement atteindre une efficacité de fonctionnement élevée, mais aussi être utilisé pendant une longue période. Sur la base de ces avantages, il est applicable aux :
- Compacteurs
- Broyeurs
- Couches de tuyaux
- Grues sur chenilles
- Grues de véhicules
- Grues à godets
- Et autres équipements
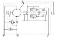
En tant que produit breveté de notre société, ce treuil hydraulique de chute libre est composé de :
- Réducteur planétaire
- Moteur hydraulique
- Frein de type humide
- Embrayage à commande hydraulique
- Bloc de soupape
- Tambour
- Cadre
Caractéristiques supplémentaires :
- Fonctionnement à deux vitesses lorsqu'il adopte un moteur hydraulique à cylindrée variable.
- Possibilité d'augmentation de pression et de puissance pendant l'exploitation avec un moteur hydraulique à pistons axiaux.
- Grâce à l'embrayage hydraulique disponible, le treuil hydraulique peut réaliser une chute libre lorsque le crochet est vide, améliorant ainsi considérablement l'efficacité du travail.
Informations supplémentaires :
| Minimum de commande | 1 pièce | 
| Délai de livraison standard | 30-60 jours | 
| Emballage | Emballage maritime standard approprié au transport longue distance | 
En tant que fabricant et fournisseur spécialisé de treuils hydrauliques de chute libre en Chine, INI Hydraulic fournit également :
- Pompe à pistons axiaux de haute pression
- Système d'entraînement de treuil et chenille
- Treuil hydraulique pour récupération de véhicule
- Bloc d'alimentation de centrales hydrauliques
Autres produits du vendeur pour : Treuil industriel
 
                    Voir le produit
             
                    Voir le produit
             
                    Voir le produit
             
                    Voir le produit
            Produits similaires dans la catégorie qui peuvent vous intéresser
 
                    
                        
            Prix sur demande
            	
                    
                    
                        Vendu et fabriqué par : INI Hydraulic Co., Ltd.                                            
                    
                        Treuil hydraulique pour pose canalisation  - Notre treuil hydraulique pour pose canalisation est communément monté sur la couche du tuyau. Ce type unique de treuil à double tambour a obtenu un brevet d'invention.  - Le treuil pour pose canalisation traditionnel se caractérise habituellement par                     
                                    Voir le produit
             
                    
                        
            Prix sur demande
            	
                    
                    
                        Vendu et fabriqué par : INI Hydraulic Co., Ltd.                                            
                    
                        Treuil hydraulique pour grue marine  - Le treuil hydraulique pour grue marine est une sorte de treuil hydraulique double tambour. Il est spécialement conçu pour les grues de navire. Combinant en une seule unité le treuil de relevage et le treuil de levage, notre treuil hydraulique pour grue marin                    
                                    Voir le produit
             
                    
                        
            Prix sur demande
            	
                    
                    
                        Vendu et fabriqué par : O.M.F.B. S.p.A. Hydraulic Components                                            
                    
                        CODE  - 13700500167 DESCRIPTION DE LA FAMILLE  - Le modèle JE est un treuil électrique en courant continu. De construction robuste et compacte, ce treuil est fabriqué selon les standards de sécurité les plus élevés. Le système de réduction à vis sans fin élimine la nécessité d'un frein                     
                                    Voir le produit
             
                    
                        
            Prix sur demande
            	
                    
                    
                        Vendu et fabriqué par : O.M.F.B. S.p.A. Hydraulic Components                                            
                    
                        CODE : 13700500096  - DESCRIPTION DE LA FAMILLE : Le modèle JE est un treuil électrique en courant continu. De construction robuste et compacte, ce treuil est fabriqué selon les standards de sécurité les plus élevés. Le système de réduction à vis sans fin élimine la nécessité d'un frein                    
                                    Voir le produit
             
                    
                        
            Prix sur demande
            	
                    
                    
                        Vendu et fabriqué par : O.M.F.B. S.p.A. Hydraulic Components                                            
                    
                        CODE :  - 13700500078  - DESCRIPTION DE LA FAMILLE :  - Le modèle JE est un treuil électrique en courant continu. De construction robuste et compacte, ce treuil est fabriqué selon les standards de sécurité les plus élevés. Le système de réduction à vis sans fin élimine la nécessité d'un                    
                                    Voir le produit
            
                    Obtenez des devis                    
                    pour plusieurs produits à la fois
                
                
                         1 
                        Vous décrivez rapidement votre besoin de matériel
                    
                                        
                    
                         2 
                        Nous sélectionnons les meilleurs fournisseurs pour votre projet
                    
                                        
                    
                         3 
                        Vous recevez des premières propositions sous 48h 
                    
                                    Dans quel secteur d’activité souhaitez-vous utiliser le treuil industriel ?
                        INI HYDRAULIC CO., LTD.
                                            
                    
                                                        
                                
                                Chine, Zhejiang Province
                            
                                                                                
                        
                            Producteur Chinois de matériel hydraulique, INI fournit des produits tels qu'un moteur hydraulique à pistons radiaux à cylindrée fixe, une pompe à piston à cylindrée variable, un bloc d'alimentation ou un treuil hydraulique.                        
                         
                    
                
                    Retrouvez nos conseils pour choisir
                    votre 
                    
                        treuil industriel                    
                
                
                    
                         
                    
                    
                    
                        
                
                
                
            
             
                    
                            Le conseil de l'expert
                            Quel type de treuil de navire industriel choisir ?
                        
                        Découvrir
                     
                    
                                Top 10 des produits dans la catégorie
                    
                    
                Très demandé
                                    
                             
                    
                
                 
                     
                                        
                        
            Prix sur demande
            	
                    
                    
                        Vendu par : Vinca                                                    
                                 Vendeur certifié
                            
                                            
                    
                        Un treuil électrique est un dispositif qui permet de soulever des charges grâce à un moteur électrique. Les treuils électriques sont un équipement de base et largement utilisés pour soulever ou déplacer tout type de marchandise ou objet lourd.  - Chez Vinca, nous avons un large catalogue afi                    
                                    Voir le produit
             
                     
                                        
                        
            Prix sur demande
            	
                    
                    
                        Vendu par : PRO-TECHNIQUE                                            
                    
                        Référence : Vant2000SCE État : Produit neuf Caractéristiques :  - Treuil Warn 12 volts avec corde synthétique  - Compatible avec quad, buggy, SSV, etc.  - Traction jusqu'à 907 kg  -                    
                                    Voir le produit
             
                    
                        
            Prix sur demande
            	
                    
                    
                        Vendu et fabriqué par : Haacon France                                            
                    
                        Treuil à crémaillère 1624  - Treuil à crémaillère, capacité de levage 1,5  - 10 t, manivelle de sécurité autoblocante, longueurs standards disponibles sur stock, versions spéciales sur demande  -                    
                                    Voir le produit
             
                    
                        
            Prix sur demande
            	
                    
                    
                        Vendu et fabriqué par : Haacon France                                            
                    
                        Treuil à câble électrique ESG  - Caractéristiques :  - Treuil à câble électrique pour charges de 125  - 2100 kg.  - Tambour d'enroulement pour 165 m de câble maxi.  - Accessoires et fabrication spéciale :  - Accessoires disponibles sur demande.  - Fabrication spéciale possible sur demande.                    
                                    Voir le produit
             
                    
                        
            Prix sur demande
            	
                    
                    
                        Vendu et fabriqué par : AUTOBEST                                            
                    
                        Treuil électrique 4x4 12v, 1,36t, câble acier 9m.                    
                                    Voir le produit
             
                     
                                        
                        
            129.96 € HT
            	
                    
                    
                        Vendu par : Helloshop26                                                    
                                 Vendeur certifié
                            
                                            
                    
                        Caractéristiques techniques :  - Matériau boîtier : Aluminium  - Matériau câble : Acier  - Puissance du moteur : 1,3 ch / 1 000 W  - Tension du moteur : 12 V  - Type de moteur : Moteur à aimant permanent  - Cycle de travail : Intermittent  - Transmission : Engrenage planétaire à 3 niveaux  -                    
                                    Voir le produit
             
                     
                                        
                        
            182.46 € HT
            	
                    
                    
                        Vendu par : Helloshop26                                                    
                                 Vendeur certifié
                            
                                            
                    
                        Caractéristiques Détails   Matériau boîtier Aluminium   Matériau câble Acier   Puissance du moteur 1,3 ch / 1 000 W   Tension du moteur 12 V   Type de moteur Moteur à aimant permanent   Cycle de travail Intermittent   Transmission Engrenage planétaire à 3 niveaux   Rapport de transmission 1                    
                                    Voir le produit
             
                     
                                        
                        
            790.83 € HT
            	
                    
                    
                        Vendu par : Global-Tools                                                    
                                 Vendeur certifié
                            
                                            
                    
                        Treuil de traction électrique 4x4 12V 5450 kg, avec télécommande a distance et commande sans fil. Caractéristiques : Moteur 12V  - 4,8kW  - 6,6CV. IP54 Cable 10 x 28m. Commande à distance 3,70m. Télécommande sans fil. Câble d'alimentation 1,80m. Débrayage manuel. Inversion du sens par comma                    
                                    Voir le produit
             
                     
                                        
                        
            148.29 € HT
            	
                    
                    
                        Vendu par : Helloshop26                                                    
                                 Vendeur certifié
                            
                                            
                    
                        Ce treuil électrique est pour un service intermittent usage général. Le treuil peut servir presque à toutes les utilisations dans le domaine du ménage, l\'automobile et la foresterie. L\'embrayage de roue libre est exploité par une traction et un bouton qui désactive la boîte de vitesses. Il                    
                                    Voir le produit
             
                     
                                        
                        
            2221.04 € HT
            	
                    
                    
                        Vendu par : Global-Tools                                                    
                                 Vendeur certifié
                            
                                            
                    
                        Treuil IMER 200 Kg en monophasé avec télécommande 1 mètre avec 3 boutons. Élévateurs TR 225 N. Caractéristiques : Marque: IMER FRANCE Capacité de levage maxi: 200 kg Vitesse moyenne de levage à pleine charge: 19 m Ø câble acier: 5 mm Longueur câble acier: 31 m Hauteur de travail utile ma                    
                                    Voir le produit
             
                                         
                                         
                                         
                                         
                                         
                                 
                                 
                                 
                                 
                                 
                     
                                 
                                 
                                 
                                    
                                 
                                    
                                 
                                    
                                 
                                    
                                 
                                    
                                 
                                    
                                 
                                    
                                 
                                    
                                 
                                    
                                