Seau de 500 vis inox A2 5x50mm - 1 foret, 1 embout Torx T25, 4 espaceurs de lame de terrasse
Malheureusement, ce produit n'est plus disponible dans notre catalogue.
Devis pour produits similaires
Plusieurs devis en seulement 1 min
Vendu
par CENTRALE BRICO
En savoir plus
Description
Lot comprenant :
- 500 vis en Inox A2, dimensions : 5x50mm.
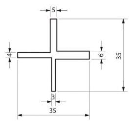
- 4 espaceurs de lame de terrasse avec épaisseurs différentes (3, 4, 5 et 6 mm) et équipés de 4 ailettes d'environ 15 mm pour faciliter la prise en main.
- 1 mèche et fraise à chanfreiner pour lame de terrasse, diamètre : 4mm.
Caractéristiques des vis inox "Cobra" :
- Empreinte Torx T25, profonde pour éviter le rejet et le ripage de l’embout.
- Crantage pour faciliter la pénétration de la tête.
- Tête réduite pour un rendu plus esthétique.
- Pointe anti-fendage.
En plaçant l’espaceur dans l’espace laissé par les 2 lames, vous pouvez ainsi assurer l’écartement souhaité.
Dimensions du produit emballé :
Hauteur (en cm) | Largeur (en cm) | Profondeur (en cm) | Poids (en kg) |
---|---|---|---|
12.6 | 15.5 | 12.3 | 1.956 |
Indication du geste de tri : Non
Autres produits du vendeur pour : Seau plastique
Produits similaires dans la catégorie qui peuvent vous intéresser


Prix sur demande
Vendu par : MASQUELIER
Poignée intégrée - Couvercle de protection adapté - Protection de l'ouverture du couvercle scellé - Homologué pour le secteur de l'alimentaire - Format rond rectangle carré - Seau de haute qualité
Voir le produit


Prix sur demande
Vendu par : EMBALLAGES EUROPE EXPRESS
Vendeur certifié
Seau plastique - Nous proposons des seaux en plastique disposants des caractéristiques suivantes. - Caractéristiques du seau plastique - Seau plastique en PP (Polypropylène) de forme cylindrique, carré ou rectangulaire - Fermeture du seau par couvercle inviolable avec témoin d’e
Voir le produit


20 € HT
Vendu par : AUDE PLASTIQUE
Vendeur certifié
- Seau à bec 12 L - Alimentaire - Dimensions Extérieures : 320 x 310 x 330 mm - Très résistant - Jupe d'usure garantissant une grande longévité au produit - Double graduation indicative litre et galon - Polyéthylène basse densité pour une grande durabilité - Avec graduation à l'int
Voir le produit


Prix sur demande
Vendu par : EMBALLAGES EUROPE EXPRESS
Vendeur certifié
Seau plastique - Nous proposons des seaux en plastique disposants des caractéristiques suivantes. - Caractéristiques du seau plastique - Seau plastique en PP (Polypropylène) de forme cylindrique, carré ou rectangulaire - Fermeture du seau par couvercle inviolable avec témoin d’e
Voir le produit


Prix sur demande
Vendu par : SVP NEGOCE
Vendeur certifié
- Seau blanc 20L avec couvercle inviolable - Pour tout tarif, nous consulter -
Voir le produit


14.86 € HT
Vendu par : SKAPNET
Vendeur certifié
SEAU 12L ROUGE - Référence : 0708211_1R - Marque : FILMOP
Voir le produit


14.86 € HT
Vendu par : SKAPNET
Vendeur certifié
SEAU 12L BLEU - Référence : 0708211_1B - Marque : FILMOP
Voir le produit


20.83 € HT
Vendu par : Procleantools
Petit Seau Jaune Laveur de Vitres ETTORE - 10 LitresRéférences : - Seau : Réf. 86000 - Couvercle (en option) : Réf. 86100 - Ce seau est très léger et peu encombrant. Il est idéal pour les vitriers et offre plusieurs avantages : - Permet un gain de place considérable sur les chantiers av
Voir le produit


11.61 € HT
Vendu par : OPTIMUM DISTRIBUTION SOLUTIONS
Vendeur certifié
 SEAU AVEC ANSE 12L DIAM325 Adoptez la Praticité et la Qualité de ce Seau en Polyéthylène de Qualité alimentaire.De forme conique, il est parfaitement Gerbable à vide et ses parois intérieures totalement lisses garantissent une Hygiène optimale.Gradué en litre, il est Résistant aux
Voir le produit


29.13 € HT
Vendu par : OPTIMUM DISTRIBUTION SOLUTIONS
Vendeur certifié
 SEAU AVEC ANSE ZINGUEE 20 L Associez ce Seau avec Anse Zinguée pour doser vos ingrédients.De Qualité alimentaire, il est de forme conique et parfaitement Gerbable à vide.Avec une anse zinguée et des Parois intérieures complètement lisses, il bénéficie d'une hygiène optimale.Rési
Voir le produit
Obtenez des devis
pour plusieurs produits à la fois
1
Vous décrivez rapidement votre besoin de matériel
2
Nous sélectionnons les meilleurs fournisseurs pour votre projet
3
Vous recevez des premières propositions sous 48h
Utilisation :
CENTRALE BRICO
France, TOURS, (37) Centre-Val de Loire
CENTRALE BRICO est sur Hellopro depuis 4 ans
Matériel neuf
Garantie d'un an systématique
Top 8 des produits dans la catégorie


Prix sur demande
Vendu par : M FRANCE Emballages
Seaux plastiques en polypropylène, alimentaires et homologués ONU - Gamme : Seaux plastiques homologués ONU et de qualité alimentaire, disponibles dans des capacités allant de 3 litres à 60 litres. - Seaux ronds en polypropylène, très résistants, homologués ONU solide, parfaits pour des
Voir le produit


8 € HT
Vendu par : ROLLECO
Le seau rond de ménage est un inconditionnel du nettoyage des sols. Sa capacité de 12 litres permet de nettoyer de grandes surfaces en mélangeant du nettoyant pour sol à de l'eau. - Marque : Rolléco
Voir le produit


27.8 € HT
Vendu par : OPTIMUM DISTRIBUTION SOLUTIONS
Vendeur certifié
 CUVE CONIQUE QUALITE ALIMENTAIRE Multipliez vos Performances avec ces modèles de Cuve Conique de Qualité alimentaire.Elle est parfaitement Gerbable à vide et apporte une Hygiène optimale à vos tâches quotidiennes grâce à ses Parois intérieures lisses.Robuste, elle est Résistante a
Voir le produit


10.55 € HT
Vendu par : OPTIMUM DISTRIBUTION SOLUTIONS
Vendeur certifié
 TONNEAU CYLINDRIQUE NATUREL FOODSAFE Stockez et Conservez efficacement vos produits alimentaires avec ces Tonneaux Cylindriques.Ses parois sont lisses à l'extérieur et permettent un entretien facile.Il est également possible d'associer un couvercle, en option.Plusieurs Modèles Disponibl
Voir le produit


5 € HT
Vendu par : AU FORUM DU BATIMENT
Vendeur certifié
485776 - Le seau à peinture rectangulaire de la marque Roulor est conçu en polypropylène, un matériau résistant qui empêche tout transfert de matière entre la peinture et le seau, assurant ainsi une conservation optimale des propriétés de la peinture. Doté d'une anse métallique, ce seau
Voir le produit


5.25 € HT
Vendu par : Stock Direct CHR
Vendeur certifié
196007 - SeauØ220x(H)290 mm
Voir le produit


12.02 € HT
Vendu par : AU FORUM DU BATIMENT
Vendeur certifié
485777 - Le seau à peinture rectangulaire de la marque Roulor est conçu en polypropylène, un matériau résistant qui empêche tout transfert de matière entre la peinture et le seau, assurant ainsi une conservation optimale des propriétés de la peinture. Doté d'une anse métallique, ce seau
Voir le produit


15.86 € HT
Vendu par : AU FORUM DU BATIMENT
Vendeur certifié
743726 - L'auge Capazo Taliagom® de 42 litres est conçue en caoutchouc synthétique (EPDM), offrant une combinaison parfaite de légèreté et de robustesse. Ce matériau de haute qualité garantit une résistance aux chocs et aux agressions diverses, ce qui en fait un outil fiable pour les envir
Voir le produit